From this page you can download stand alone schematics for a few Leslie
models.
If you can't find the schematic you are looking for here, take a look at
the page where you can download
complete scans of Leslie owner's and service manuals.
Also please note that there are fewer amplifier models than Leslie models
- for example, the amplifier called Leslie model 122 is used in not only
the cabinet named 122 but also in models 142, 222, 242, 122R, 122V, 122RV
and 222RV. Some solid state models will have the same schematic for
different speaker models, like model 760 and 770 or model HL-722 and
HL-822.
The schematics are scanned in Gif format for a good print-out
quality. If you need a schematic that is not listed here, please e-mail
me. I might have it somewhere.
|
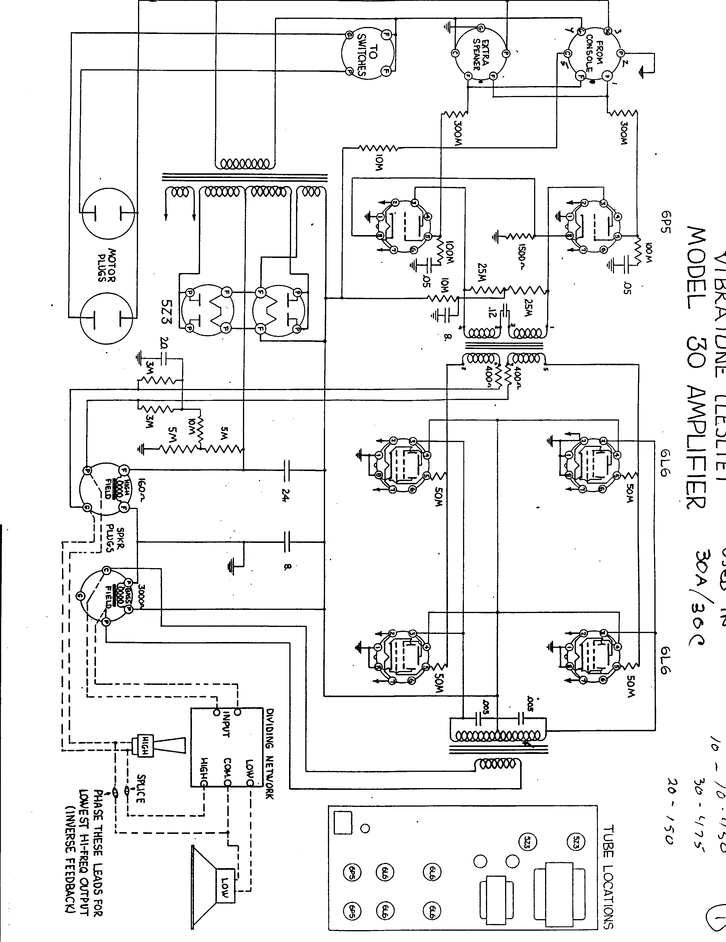
| TUBE, Single
Speed:
TUBE, Two Speed:
-
Leslie 122
-
Leslie 147
-
Leslie 251
-
Leslie 125
-
Leslie 222 and 222RV service manual supplement
-
Leslie 251 - 234V/250V 50/60Hz manual supplement (thanks to
Matti)
-
Leslie 257 (The rotary part of a two speaker set made for
Thomas organs. Very similar to a model 247 and relatively simple to
convert for Hammond usage.)
-
Leslie 258 (The stationary/pedal section of the two speaker
Thomas organ set. Contains two 40W Leslie tube amps.)
-
Leslie 610 (also 205 and 101GK) A special design with roto-sonic
rotors with a four channel tube amplifier. Made for Conn, Thomas and
Gullbransen organs. Also used with Hammond H-100/300 and R-100 series
organs for a theatre-organ sound.
SOLID STATE:
-
Leslie 330
-
Leslie 860
-
Leslie 825
-
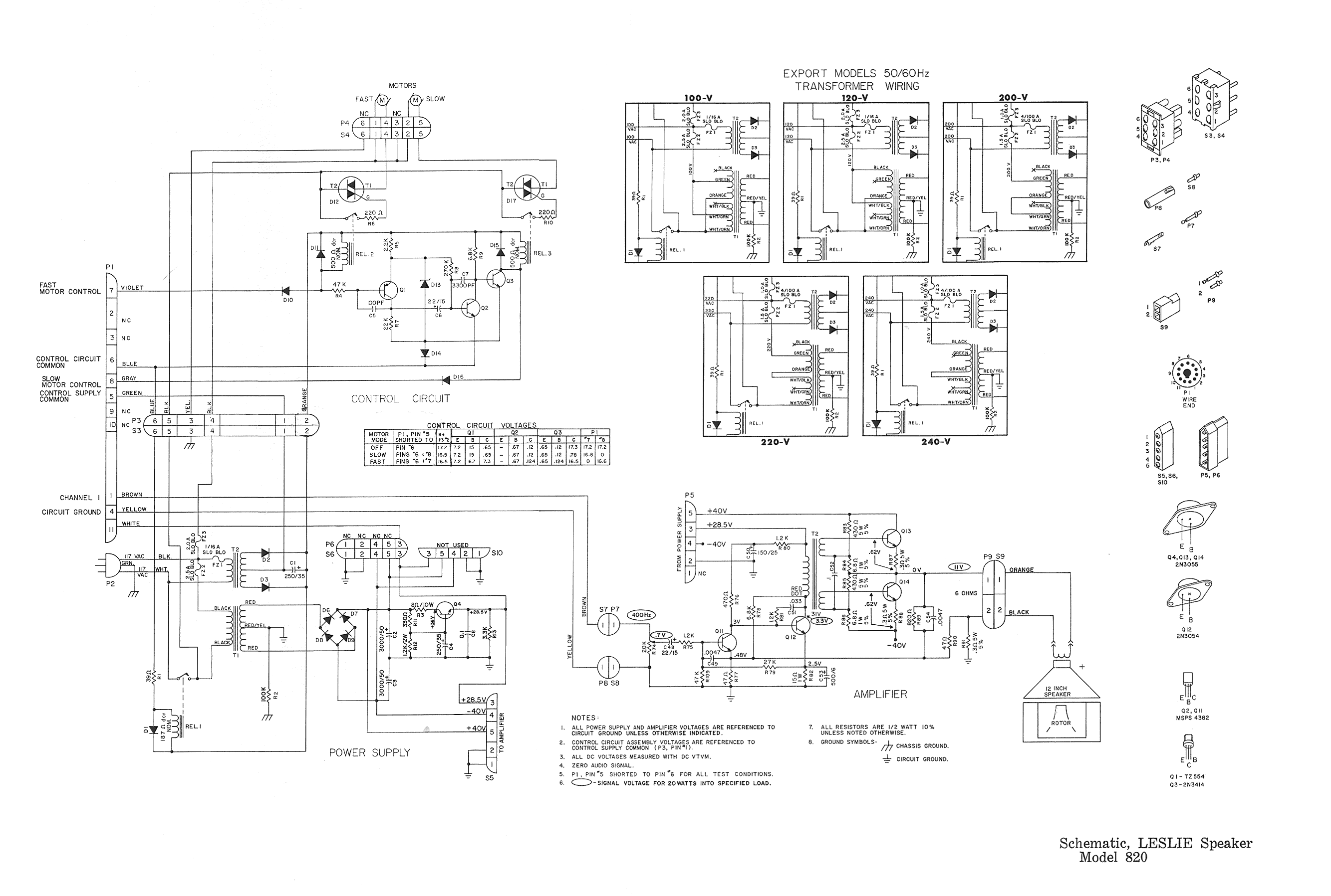
Leslie 820
-
Leslie 760 and 770
-
Leslie 900
-
Leslie 910
-
Leslie 925
-
Leslie 700 (roto-sonic, decorator cabinet)
-
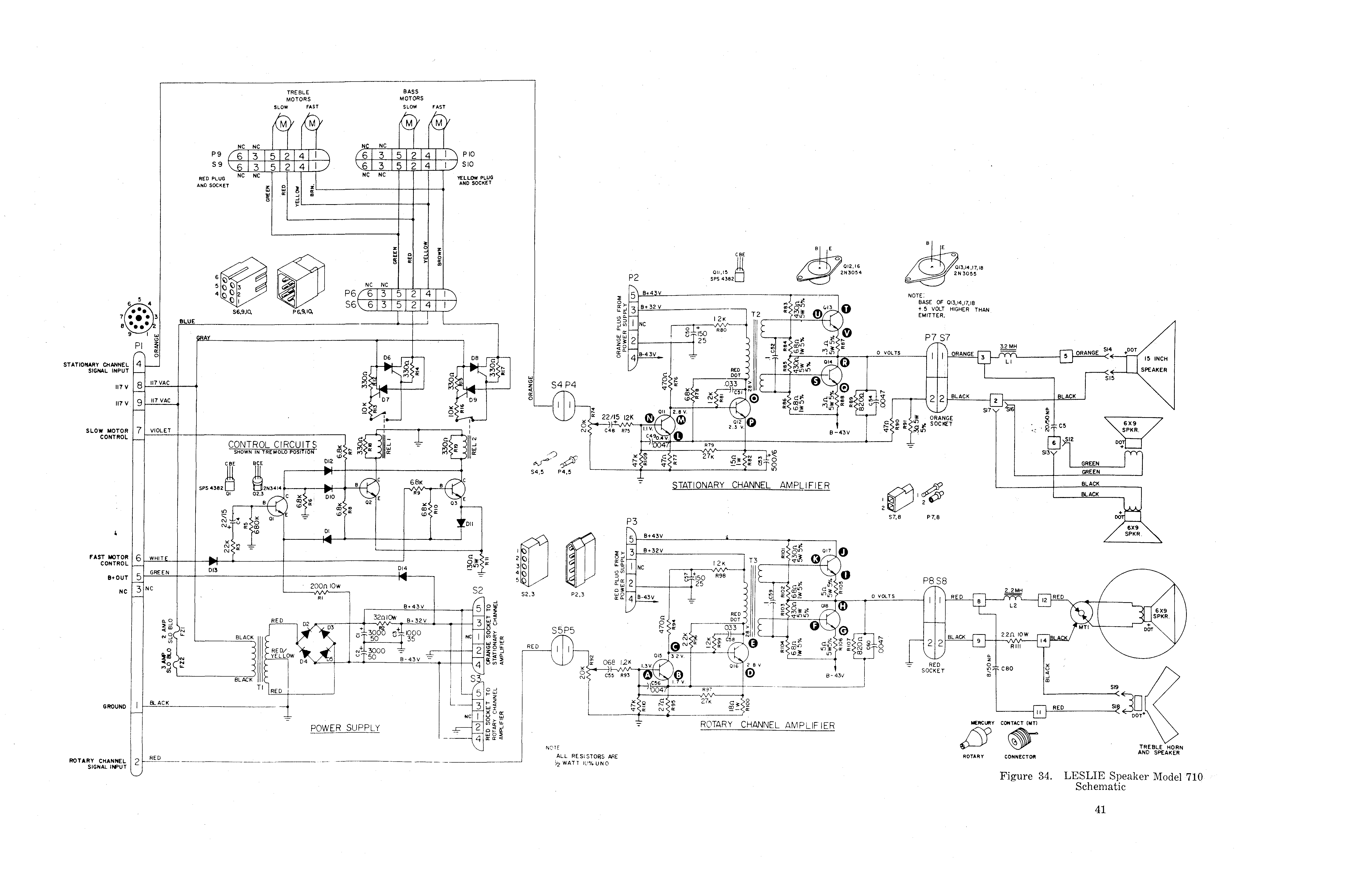
Leslie 710 (roto-sonic)
-
Leslie 130 (decorator cabinet) (kindly scanned
by John Schneider)
-
Leslie 720
-
Leslie 520*
-
Leslie 540 and 515 (Stationary add-on speaker)
-
Leslie 600 (roto-sonic, 4-channel, decorator cabinet)
-
Leslie HL422 (roto-sonic, also 415 and 315)
-
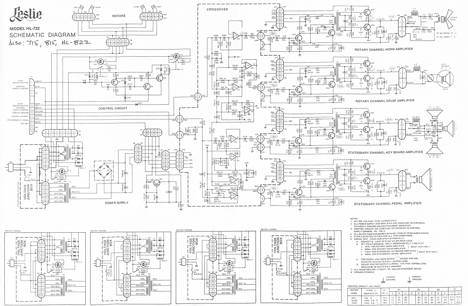
Leslie HL722 (roto-sonic, also 715, 815 and HL-822)
-
Leslie 750 (roto-sonic, 4-channel, early 80's model)
-
Service pamphlet - Leslie 415, HL422 and 315
-
Service pamphlet - Leslie 715, 815, HL722 and HL822
-
Service pamphlet - Leslie 710
* Model 520 is essentially the non-rotary components of model
720 in a smaller cabinet. |